三坐標測量機在測量過程中,會涉及到很多形位公差基礎知識,今天思瑞小編主要跟大家說一下三坐標測量機垂直度。
機械加工后零件的實際要素相對于理想要素總有誤差,
包括形狀誤差和位置誤差。
這類誤差影響機械產品的功能,
設計時應規定相應的公差并按規定的標準符號標注在圖樣上
三坐標測量機及影像測量儀測量的目的就是要判斷被測零件是否符合圖紙要求,
每一個特征測量的結果都需要按照公差要求進去輸出
垂直度
垂直度(⊥) 用來控制零件上被三坐標測量要素(平面或直線)相對于基準要素(平面或直線)的方向偏離90°的要求,即要求被測要素對基準成90°
平行度公差用來控制線對線 、 線對面、面對線、面對面
基本概念
被測要素:
零件圖中給出了形狀或(和)位置公差要求,即需要三坐標檢測的要素
基準要素:
用以確定被測要素的方向或位置的要素(簡稱基準)
被測要素和基準要素可以是中心要素,也看是輪廓要素,他們均有理想和實際兩種情況

基準符號

基準符號由帶圓圈的英文大寫字母用細實線與粗的短橫線相連而組成,
平面對平面的垂直度公差帶為距離為公差值 t、且垂直于基準的兩平行平面 間的區域。
例:
實際平面須位于間距為公 差值0.08、
且垂直于基準面A 的兩平行平面間的區域內
平面對平面的垂直度公差帶為距離為公差值 t、且垂直于基準的兩平行平面 間的區域。

例:
實際平面須位于間距為公 差值0.08、
且垂直于基準面A 的兩平行平面間的區域內
平面對軸線的垂直度公差帶為距離為公差值t、 且垂直于基準的兩平行平面間的區域。
例:
實際平面須位于間距為公差值0.05、
且垂直于基準軸線A的兩平行平面之間
直線對直線的垂直度公差為距離為公差值t、 且垂直于基準線的兩平行平面間的區域。

例:
實際軸線須位于間距為公差值0.05、
且垂直于基準軸線A的兩平行平面之間
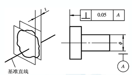
直線對平面的垂直度公差,在給定方向上,公差帶是距離為公差值 t 且垂直于基準面的兩平行平面間的區域。
如在公差值前加φ,其公差帶是直徑為公差值t且垂直于基準面的圓柱面內的區域

例:
實際軸線須位于間距為公差值0.05、
且垂直于基準面的圓柱面內的區域
除了可以使用三坐標測量機測量垂直度公差外
使用角鐵、
水平儀、
借用輔助工具等都是常用的測量方法。依據情況選擇工具,不局限于三坐標測量方法
更多知識關注思瑞網站,下期我門繼續分享
思瑞測量是全球專業的計量解決方案制造商,產品涵蓋三坐標、三坐標測量機、三坐標測量儀、三坐標測量、三次元、光學測量、三坐標升級、三坐標測量服務、及逆向工程等領域,全方位解決復雜測量難題!
返回頂部